Kies je categorie
Product beschrijving
Dit CE gecertificeerde DX veiligheidsheidsscharnier is door zijn geïntegreerde dievenklauw door het SKG gekeurd en bestempeld als inbraakwerend en daarmee geschikt voor buitendeuren en ramen die intensief gebruikt worden. Dit product voldoet bovendien aan alle eisen om binnen het Politie Keurmerk Veilig Wonen (PKVW) toegepast te worden. Door zijn ronde hoeken is dit scharnier uitermate geschikt om machinaal te verwerken. Met een freesmachine kan de uitsparing in deur/raam en kozijn gemaakt worden.

Aan de onderkant is een scharnierknop bevestigd met daarin een gaatje. Allereerst verrijkt de scharnierknop het uiterlijk doordat boven- en onderkant nu identiek ogen. Daarnaast is er met het aangebrachte gaatje voor gezorgd dat demonteren, bijvoorbeeld wanneer u gaat schilderen, eenvoudig blijft. U slaat de bovenste pen door het gaatje gemakkelijk met een spijker omhoog. De scharnierknop en de pen zijn bovendien voorzien van een kartelrand, die voorkomt dat de scharnierknop of de pen na verloop van tijd uit het scharnier kruipt en er tevens voor zorgt dat het scharnier minder gauw scheef gaat hangen.

Door de kogellagers loopt dit scharnier bijzonder soepel, wat de draagkracht en levensduur ten opzichte van een losse pen scharnier ten goede komt. Om de hoge kwaliteit van dit scharnier langere tijd te waarborgen wordt aangeraden de lagers jaarlijks te smeren met kogellagervet, zuurvrije vaseline of spray op siliconenbasis. Doet u dit? Dan blijft uw klus jarenlang mooi!

Bent u op zoek naar een onderhoudsvrij scharnier met nog meer draagvermogen? Bekijk dan ook ons assortiment glijlagerscharnieren of kogelstiftpaumelles.
Product specificaties
Attribuut naam Attribuut waarde
draagvermogen (per 4 stuks) 0 - 80
draagvermogen (per 3 stuks) 0 - 70
keurmerk SKG***
bewerking (fabricage, afwerking) blank, verzinkt
model ronde hoek(en)
bewerking (oppervlaktebehandeling) verzinkt
materiaal staal
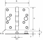
dikte 2,4
hoogte 89
breedte 89
model (lager) kogellager

Kogellagerscharnier / ronde hoeken / 89x89 mm

DX
Fabrikant: DX
EAN-nummer: 8714140143344,8714140143320
Artikelnummer: 1430702
Artikelnummer fabrikant: 6712.125.8989
€ 5,97 incl. BTW
Prijs per stuk van 1 stuk(s)
Online voorraad: 9 op voorraad
Leveringsdatum Vóór 16:00 besteld = vandaag verstuurd
Winkelvoorraad
Af te halen voorraad per filiaal
Dedemsvaart TEST
Galileistraat 7 , 7701 SK Dedemsvaart
9 Stuks Op voorraad
Coevorden TEST
Monierweg 6 , 7741 KT Coevorden
18 Stuks Op voorraad
Coevorden TEST
Monierweg 6 , 7741 KT Coevorden
18 Stuks Op voorraad
Winkelvoorraad
Af te halen voorraad per filiaal
Dedemsvaart TEST
Galileistraat 7 , 7701 SK Dedemsvaart
9 Stuks Op voorraad
Coevorden TEST
Monierweg 6 , 7741 KT Coevorden
18 Stuks Op voorraad
Coevorden TEST
Monierweg 6 , 7741 KT Coevorden
18 Stuks Op voorraad
Product specificaties
Attribuut naam Attribuut waarde
draagvermogen (per 4 stuks) 0 - 80
draagvermogen (per 3 stuks) 0 - 70
keurmerk SKG***
bewerking (fabricage, afwerking) blank, verzinkt
model ronde hoek(en)
bewerking (oppervlaktebehandeling) verzinkt
materiaal staal
dikte 2,4
hoogte 89
breedte 89
model (lager) kogellager