Kies je categorie
Product beschrijving
Dit CE gecertificeerde DX veiligheidsheidsscharnier is door zijn geïntegreerde dievenklauw door het SKG gekeurd en bestempeld als inbraakwerend. Het scharnier is gemaakt van roestvrijstaal (RVS) en in combinatie met het SKG keurmerk daarom uiterst geschikt voor buitendeuren die intensief gebruikt worden. Het product voldoet aan alle eisen om binnen het Politie Keurmerk Veilig Wonen (PKVW) toegepast te worden.

Door zijn ronde hoeken is dit scharnier uitermate geschikt om machinaal te verwerken. Met een freesmachine kan de uitsparing in deur/raam en kozijn gemaakt worden.

Roestvaststaal (RVS) heeft tevens een chique uitstraling. Aan de onderkant is een scharnierknop bevestigd wat het al chique RVS uiterlijk nog verder verrijkt doordat boven en onderkant nu identiek ogen. In deze scharnierknop is een klein gaatje aangebracht, wat er voor zorgt dat demonteren, bijvoorbeeld wanneer u gaat schilderen, eenvoudig blijft. U slaat de bovenste pen door het gaatje gemakkelijk met een spijker omhoog.

De scharnierknop en de pen zijn bovendien voorzien van een kartelrand, die voorkomt dat de scharnierknop of de pen na verloop van tijd uit het scharnier kruipt en er tevens voor zorgt dat het scharnier minder gauw scheef gaat hangen.

Door de kogellagers loopt dit scharnier bijzonder soepel, wat de draagkracht en levensduur ten opzichte van een losse pen scharnier ten goede komt. Om de hoge kwaliteit van dit scharnier langere tijd te waarborgen wordt aangeraden de lagers jaarlijks te smeren met kogellagervet, zuurvrije vaseline of spray op siliconenbasis. Doet u dit? Dan blijft uw klus jarenlang mooi!

Bent u op zoek naar een onderhoudsvrij scharnier met nog meer draagvermogen? Bekijk dan ook ons assortiment glijlagerscharnieren of kogelstiftpaumelles.
Product specificaties
Attribuut naamAttribuut waarde
draagvermogen (per 4 stuks)0 - 100
draagvermogen (per 3 stuks)0 - 80
keurmerkSKG***
bewerking (fabricage, afwerking)geborsteld
modelronde hoek(en)
materiaalrvs
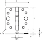
dikte3
hoogte89
breedte89
model (lager)kogellager

Kogellagerscharnier / 3 mm / ronde hoeken / 8

DX
Fabrikant: DX
EAN-nummer: 8714140138302
Artikelnummer: 1440847
Artikelnummer fabrikant: 6732.133.8989
€ 9,70 incl. BTW
Prijs per stuk van 1 stuk(s)
Online voorraad: 8 op voorraad
Leveringsdatum Vóór 16:00 besteld = vandaag verstuurd
Winkelvoorraad
Af te halen voorraad per filiaal
Dedemsvaart TEST
Galileistraat 7 , 7701 SK Dedemsvaart
8 Stuks Op voorraad
Coevorden TEST
Monierweg 6 , 7741 KT Coevorden
8 Stuks Op voorraad
Coevorden TEST
Monierweg 6 , 7741 KT Coevorden
8 Stuks Op voorraad
Winkelvoorraad
Af te halen voorraad per filiaal
Dedemsvaart TEST
Galileistraat 7 , 7701 SK Dedemsvaart
8 Stuks Op voorraad
Coevorden TEST
Monierweg 6 , 7741 KT Coevorden
8 Stuks Op voorraad
Coevorden TEST
Monierweg 6 , 7741 KT Coevorden
8 Stuks Op voorraad
Product specificaties
Attribuut naamAttribuut waarde
draagvermogen (per 4 stuks)0 - 100
draagvermogen (per 3 stuks)0 - 80
keurmerkSKG***
bewerking (fabricage, afwerking)geborsteld
modelronde hoek(en)
materiaalrvs
dikte3
hoogte89
breedte89
model (lager)kogellager